Braid Breaker and High-pass Filter
Issue 49 Six News, May 1996

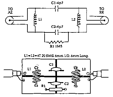
This combined braid-breaker and high-pass filter prevents HF signal currents from flowing down the inner or outer of the co-axial cable. L1 has a low reactance to HF or VHF signals. thereby by-passing the interfering current, whereas Cl and C2 have high reactance to HF/VHF, effectively blocking signals to the receiver. L2 provides a further short circuit across the connections on the RX side of the Filter.

At UHF the conditions are reversed. Cl and C2 presenting a low impedance path to signals to the receiver, and the impedance of L1 and L2 is so high as to be ignored. R1 is for static discharge of the outer screen.

Circuit Diagram of Simple 6m Filter

Making the PCB

Single-sided PCB 2" by 1". Scrape grooves, approximately 1.5mm wide in the copper to leave four areas as shown.

To return to the archive page click here