Two Build-yourself Magnetometers Click here to go back to the home page
Geoff, GJ41CD
Jan 92 & April 92, Issue 32 & 33, SixNews

Figure 1, the magnetometer.Figure 1, the magnetometer.

Here is a nice simple winter project to build that will be most useful in forecasting auroras or measuring disturbances from the Sun. A few years ago, Ken, G8VR, received over 100 requests for documentation on this easy to build device that had been re-vamped by Martyn Vincent, G3UKV. The Magnetometer described here can be built for under £10 with only three main components, a small bar magnet, a "hall effect unit", and a standard 741 op-amp. All these components can he obtained from RS Components in the UK, For our overseas members the group may be able to obtain the parts if needed.

Martyn G3UKV firstly obtained a "Kilner jar" (or other food storage jar would also do), a plastic or brass or copper tube was used to support the sensor (Ken G8VR used a brass tube and fed the four wires from the hall effect sensor through it), facing the sensor is a small bar magnet which is glued to a piece of perspex sheet and supported on a very fine piece of fishing line or nylon thread. On the prototype, Martyn used cooking oil to dampen the movement, however after a while the oil was found to separate and also crystallize. I have found that by using Johnson's Baby oil not only do you overcome this problem but it also is a clear substance and looks much better, however Ken G8VR uses no oil at all. At the side of the jar is fitted a small bracket made of a non-ferrous metal, this has a 'swinging arm' for adjustments.

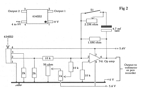
Figure 2, The Electronics.Figure 2, The Electronics.

I have added an extra to my version by sinking the jar into the base board to stop any vibrations or movement upsetting the device and causing false readings. The electronics are very straight forward, as seen in Fig 2, they can be built on a small piece of Veroboard or PCB and glued to the top perspex lid. Martyn offers the following help for setting up of the magnetometer:

Martyn has noted that his magnetometer is temperature sensitive. This may be attributed to the type of tread used in the design. Also it must be noted that the unit should be placed well away from the magnetic forces of cars, TVs, HI-FIs and the 1032 express train to Kings Cross station!

My thanks go to Ken G8VR and Martyn G3UKV, who gave us permission to publish.

de Geoff, GJ4ICD

A Twin Hall Effect Magnetometer
by Doug Smillie, GM4DJS


An example Megnetogram - 17/11/1989. Chart speed 1cm/hourAn example Megnetogram - 17/11/1989. Chart speed 1cm/hour

Here is another "easy to construct" version of a magnetometer. This one has dual sensors. Doug has been kind enough supply all the relevant information. Construction is very straight forward, I used a storage jar which cost £2. I then drilled a hole in the glass lid (a small drill and plenty of oil) however you can use a plastic jar if needed, the sensors (mounted on Veroboard) were fitted onto the bottom of the jar with Araldite a cotton thread is attached to the magnet by super-glue and threaded through the lid, it is temporarily fixed with adhesive tape.

A firm base unit is required. I purchased a 1" thick map of Jersey about 8 inches long made of good quality timber, a half inch deep hole the diameter of the jar was cut out and the jar then placed in the hole with the sensors, the sensor leads were brought out via a small groove and fed to the electronics board which again is straight forward. The op-amp used in this design is capable or providing a minimum of 325rnA into a 50 ohm load, which makes it suitable for driving a pen recorder. The amplifier electronics are mounted on a small piece of Veroboard. The PSU is a 15-0-15 standard supply available from Radiospares.

The Jar Magnetometer with Hall Effect Sensors.The Jar Magnetometer with Hall Effect Sensors.

Setting Up...

The Jar Magnetometer Electronics.The Jar Magnetometer Electronics.

Radio auroral conditions will usually result in a trace that produces one or more saw tooth pulses varying in amplitude to large spikes that occur during major storms.

A sine-wave pulse is often representative of a visual aurora. A magnetic storm can commence with a step function followed by an unsettled trace and does nor necessarily result in radio or visual auroras.

My thanks to Doug who monitors the "six metre" beacons for auroral propagation, and thanks to Simon (my son) for the artwork.

73 de Geoff, GJ4ICD

To return to the Archives page click here